Industrial applications Automotive applications

GeMnG's KC35 series of inline linear actuators are designed for low load industrial applications. It is a powerful product for industrial applications. The compact size allows the KC35 to install a small space in the application without worrying about its effects. Hall sensors are optional for the KC35, allowing for synchronization and position feedback, ventilation systems or food and beverage automation equipment as well as other industry performance ranges.



General Features

  • Motor voltage: 12V DC, 24V DC
  • Maximum load: 1500N pull / push
  • Stroke: 20~600mm(customized)
  • Minimum size: stroke + 245 mm
  • Color: black
  • IP rating: IP65
  • Operating temperature range: -45 ° C ~ + 75 ° C
  • Full performance operating temperature range: + 5°C ~ + 45°C
  • Duty cycle: 10%, 2min on, 18min off
  • Other options: Hall sensor, synchronized controller
  • High-strength metal 406 carbon steel housing protects motors and gears
  • limit switch: NO

Model Selection










HTKC35 Series Load±10%(N) Speed±2(mm/S)













Max Dynamic Load:N(lbs) 1,500 800 500 350 250 150 100 50
Max Static Load:kN(lbs) 1,500 800 500 350 250 150 100 50
No-Load Speed: mm/s 5 10 14 20.6 28 41.2 70 140
Full-Load Speed: mm/s 4 7.8 11.2 16.5 22.4 32.9 56 112






HTKC35 Series Stroke ±2(mm) Mounting dimensions±2(mm)












Stroke:mm 50 100 150 200 250 300 350 400 450
Minimum installation size:mm 295 345 395 445 495 545 595 645 690
Actuator Weightkg 1.6 1.9 2.2 2.5 2.8 3.1 3.5 3.9 4.5










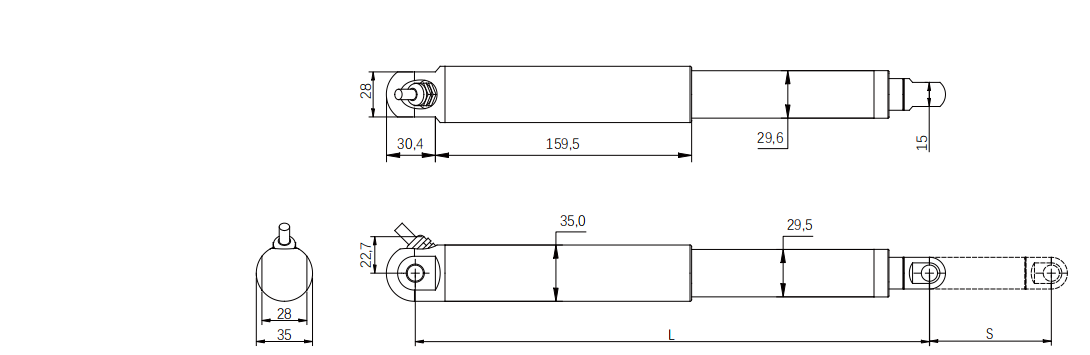
Drawing Standard Dimension (mm)



Code selection:  HTKC35 - voltage - speed - stroke - minimum installation size / maximum installation size - load


© 2018-2028 GeMinG (China) Co., Ltd. All Rights Reserved.Final interpretation